EMP

Ugelli Tipo RR

TESTIMONE D'INIEZIONE: T5
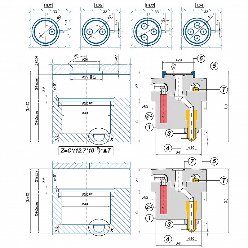
UGELLI MULTIPUNTE PER L'INIEZIONE ASSIALE
- SI: iniezione di più pezzi con un unico ugello
- SI: più punti di iniezione sullo stesso pezzo
- SI: cambio colore
- SI: cariche abrasive (scegliere puntale tipo 4/0)
- SI: colori intensi
- SI: applicazioni IMPRONTA MULTIPLA e IMPRONTA SINGOLA
- NO: materiali che lasciano filamenti o gocciolamenti all'apertura dello stampo