EMP

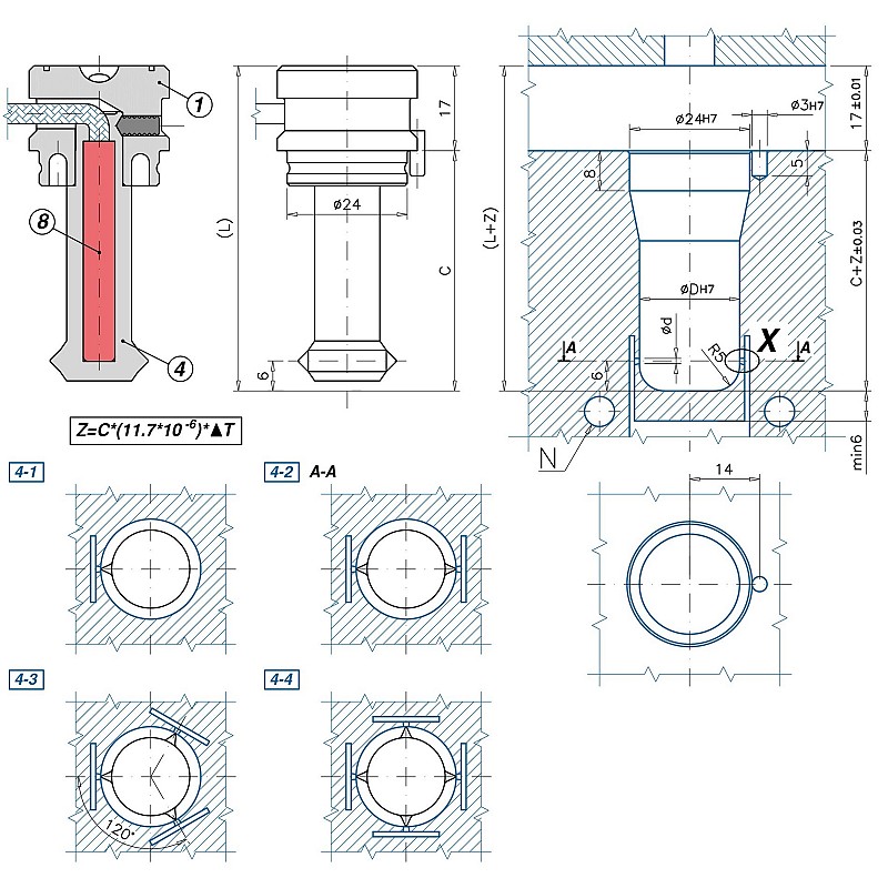
GSL model nozzles

INJECTION VESTIGE: T4L
LATERAL MULTI-POINT, SINGLE TORPEDO NOZZLES.
- YES: injecting more parts with one only nozzle
- YES: more than one gate vestige on the same part
- YES: cariche abrasive (scegliere puntale 4/0)
- NO: SINGLE CAVITY applications
- NO: colour change